range of activity
performance
references
portrait
contact
download
directions
legal notices
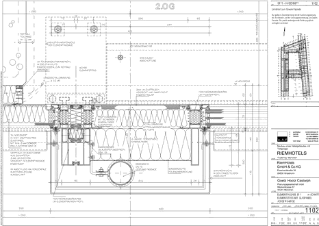
Riem Hotels, München Reference detail: vertical sectionelemented facade, element joint with glass-panel
Riem Hotels, München
Reference detail: vertical sectionelemented facade, element joint with glass-panel
back next
back
startpage